Product list產品列表
Customer service在線客服
產品展示
特性及應用:
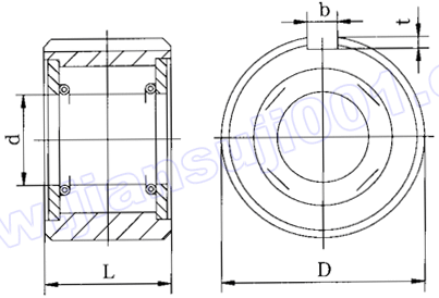
CKB型即國外B200系列,為無內環(huán)無軸承支撐的楔塊式超越離合器。使用時,將軸直接安裝在離合器內,用于離合器的軸在磨削后需要熱處理,硬度達到HRC58~62,軸的錐度每50mm不應超過0.01mm。為保證軸和離合器外的同心度,承受外環(huán)和軸的徑向或軸向負載,要在離合器的兩端或一端裝上軸承。適用于極限轉速為:1000~2400r/min,公稱轉矩為:60~1250N·m。常用于包裝機、制袋機、瓦楞紙生產線、減速機、提升機、電動滾筒等機械傳動。
結構型式:


CKB型(B200系列)超越離合器基本參數和主要尺寸 單位:mm
|
序號 |
型號 |
代號 |
公稱
轉矩
Tn
(N·m) |
空轉
轉矩
(N·m) |
最高超越
轉速n
(r/min) |
最高
頻率
(次/分) |
寬度
L(0-0.06) |
外環(huán)
直徑
D
(h7) |
軸徑
d(0-0.025) |
外環(huán)
鍵槽
寬×深
b×t |
質量
m
(kg) | |
|
內環(huán) |
外環(huán) | |||||||||||
|
1 |
B203 |
CKB40×25-16.51 |
60 |
0.1 |
2400 |
500 |
150 |
25.0 |
40 |
16.510 |
4×2.5 |
0.23 |
|
2 |
B204 |
CKB47×25-18.796 |
100 |
0.1 |
2400 |
500 |
150 |
25.0 |
47 |
18.796 |
5×3 |
0.34 |
|
3 |
B205 |
CKB52×25-23.622 |
150 |
0.2 |
1800 |
400 |
150 |
25.0 |
52 |
23.622 |
5×3 |
0.45 |
|
4 |
|
CKB52×25-24 |
150 |
0.2 |
1800 |
400 |
150 |
25.0 |
52 |
24.0 |
5×3 |
0.33 |
|
5 |
|
CKB62×28-30 |
200 |
0.2 |
1800 |
350 |
150 |
28.0 |
62 |
30.0 |
7×4 |
0.51 |
|
6 |
B206 |
CKB62×28-32.766 |
300 |
0.2 |
1800 |
350 |
150 |
28.0 |
62 |
32.766 |
7×4 |
0.68 |
|
7 |
|
CKB62×28-35 |
200 |
0.2 |
1800 |
350 |
150 |
28.0 |
62 |
35 |
6×3.5 |
0.45 |
|
8 |
|
CKB72×28-40 |
315 |
0.2 |
1800 |
300 |
150 |
28.0 |
72 |
40 |
7×4 |
0.61 |
|
9 |
B207 |
CKB72×28-42.088 |
450 |
0.2 |
1800 |
300 |
150 |
28.0 |
72 |
42.088 |
7×4 |
0.80 |
|
10 |
|
CKB72×28-42 |
315 |
0.2 |
1800 |
300 |
150 |
28.0 |
72 |
42 |
7×4 |
0.59 |
|
11 |
|
CKB80×32-45 |
500 |
0.2 |
1800 |
300 |
150 |
32.0 |
80 |
45 |
10×4.5 |
0.75 |
|
12 |
B208 |
CKB80×32-46.761 |
480 |
0.2 |
1800 |
200 |
150 |
32.0 |
80 |
46.761 |
10×4.5 |
0.91 |
|
13 |
|
CKB80×32-48 |
500 |
0.2 |
1600 |
200 |
150 |
32.0 |
80 |
48 |
8×4.0 |
0.80 |
|
14 |
B209 |
CKB85×32-56.109 |
500 |
0.2 |
1800 |
200 |
150 |
32.0 |
85 |
46.761 |
10×4.5 |
0.95 |
|
15 |
|
CKB85×32-50 |
500 |
0.2 |
1600 |
200 |
150 |
32.0 |
85 |
50 |
8×4.0 |
0.94 |
|
16 |
|
CKB90×32-55 |
560 |
0.2 |
1200 |
200 |
150 |
32.0 |
90 |
55 |
10×5.0 |
1.00 |
|
17 |
B210 |
CKB90×32-56.109 |
550 |
0.2 |
1200 |
200 |
150 |
32.0 |
90 |
56.109 |
10×4.5 |
1.00 |
|
18 |
B211 |
CKB100×42-56.109 |
784 |
0.3 |
1200 |
200 |
150 |
42.0 |
100 |
56.109 |
10×4.5 |
1.40 |
|
19 |
|
CKB100×42-60 |
710 |
0.3 |
1200 |
200 |
150 |
42.0 |
100 |
60 |
10×5.0 |
1.26 |
|
20 |
|
CKB110×42-65 |
1000 |
0.3 |
1200 |
200 |
150 |
42.0 |
110 |
65 |
10×5.0 |
2.04 |
|
21 |
B212 |
CKB110×40-70.029 |
1230 |
0.3 |
1200 |
180 |
150 |
42.0 |
110 |
70.029 |
10×4.5 |
1.80 |
|
22 |
B213 |
CKB120×42-70.029 |
1230 |
0.3 |
1200 |
180 |
150 |
42.0 |
120 |
70.029 |
10×4.5 |
2.30 |
|
23 |
|
CKB120×42-70 |
1230 |
0.3 |
1200 |
180 |
150 |
42.0 |
120 |
70 |
10×4.5 |
2.46 |
|
24 |
B214 |
CKB125×42-70 |
1390 |
0.4 |
1000 |
180 |
150 |
42.0 |
125 |
79.356 |
12×4.5 |
2.40 |
|
25 |
|
CKB125×42-80 |
1250 |
0.4 |
1000 |
180 |
150 |
42.0 |
125 |
80 |
12×5.0 |
2.40 |
安裝參考示意圖:

| 頁次:1/1 每頁10條 共1條信息 分頁:[1] |
